光路设计完成了,需要通过工艺将其落实成具体产品,这个过程离不开光器件的工艺。(四川微组装应用设备)
光器件的工艺分两种:焊接(平行封焊,激光焊接,TO封装),胶水粘接(点胶设备)。
针对激光器,有个特别的工艺叫共晶焊接(共晶烧结炉),其散热性能好;
共晶焊接:在保护气体中,给一定压力和温度,使芯片与基板上的镀金层之间的共晶焊料熔融,冷却后,熔融的焊料与芯片和基板上镀金层的金原子形成结合体,完成焊接。

激光焊接(平行封焊机):把高能量密度的激光打到两个金属表面,金属吸收光能后熔融形成焊接(常用的焊接材料有SUS304、SUS316,SUS303)。
电阻焊:分为平行封焊和TO封帽,原理是大电流流过电阻产生热量焊接,因此材料需要选用电阻率大的(常用的焊接材料有Kovar,SF20T,SF20F,Nife47,4J29)

实物:

同轴光器件的3种激光焊接形式:

激光焊接在之前的文章高斯光转均匀光中有简单提到过;
胶水粘接的种类相对焊接,会多一些。
PD与基板用导电Ag胶粘接:

塑料lens和PCB绿油粘接:


玻璃lens与陶瓷粘接:

玻璃块和金属粘接:

玻璃lens和玻璃块粘接:

光器件的胶水种类,大致分为UV胶、环氧胶(导电&非导电)、硅胶、双组分胶。
大家看到的光器件实物如上所示,把光学部分剥离出来,小熊眼里的光器件是这样的:

这样的:

这样的:

这样的:

这样的:

光学设计的核心思想:寻求合理的光学路径,使得激光器芯片发出的光被完整送至光纤中进行传输,评估光路是否合理,最直接的指标就是耦合效率了。
色散限制了传输距离,产生了链路损耗指标,链路损耗催生了光器件的色散功率代价,色散功率代价对光器件的发光功率提出了要求,激光器的发光效率通常是固定的,故而光器件对光路的耦合效率提出了要求,因此产生了特定的光路,耦合效率的具体实施方案又对光学工艺提出了要求......
耦合效率定义为多少是合理的呢?
这个根据应用场景不同,定义千差万别;
比如,光器件的种类细分中,TX和RX,40km和2km,单模和多模,耦合效率各不相同;
再比如,BIDI产品还要考虑上下行波长差导致的filter通止带波长随激光器波长的温漂变化、Isolator还要考虑与激光器的偏振方向角度差异产生的Insert loss、光器件的Return loss指标、APC角度等因素引起的插损均会降低耦合效率...这些都需要在峰值耦合效率上做补偿。
虽然光器件种类繁多,但是耦合效率总体来讲,RX比TX容易一些;低速率的器件比高速率的容易一些,多模器件比单模的容易一些,短距传输的器件比远距的容易一些,单通道器件比4通道阵列的容易一些......
耦合效率不容易做高但是需要做高的、大家会挖空心思去做,这就会导致光器件结构愈发复杂,按照”奇变偶不变、符号看象限“的思路,电路可以0和1两个NRZ电平卷成00,01,10,11四个PAM4电平,光路则可以单个通道卷成4个阵列通道,2个4阵列拼一起凑成8个通道,有小伙伴可能会问,有没有可能单独出8通道?答:光路做不到;4个4阵列呢?答:模块尺寸是标准定死了的,硬件和结构没地方落脚了,也做不到哦。
光学工艺的作用,则是将各光路零件,摆放在光学路径相应的位置,并保证各光学零件固定“不动”;
古人云:“静者静动,非不动也。”
世上没有绝对不动的东西,该怎么定义”不动“呢?
举个例子,假设一个光器件,TX(发射端)光功率指标是0dBm;
1. 那么理论的峰值耦合效率一定是会使得光功率高于0dBm,比如能做到2dBm;
2. 光器件耦合到2dBm时,进行离焦使得功率衰减至1dBm,点胶or焊接进行固定;
3. 胶水固化or焊接过程中,光学零件相对位置发生偏移,光功率掉至0.5dBm(当然偶尔也有功率增加的,但是按照墨菲定律,掉值的偏多);
4. 经过n小时的TC温度循环(应力释放),光功率掉至0dBm,ok,到目标值了;
从2. 离焦耦合的光功率1dBm——>4. TC后的光功率0dBm,这个过程就可以理解为光路的初步”不动“;
紧接着还有一个终极”不动“的考验:光器件的可靠性套餐;

虽然这些测试项目除了光纤及侧向拉力是考验光器件(光纤侧)的,其余都是针对激光器/探测器等光芯片的,但是本着”行有不得,反求诸己“的思想,我们默认芯片是ok的,从光器件的封装上找问题,力求呈现高质量的光器件。
经历了光器件的常规性能测试、可靠性测试的过五关斩六将,如果测试指标皆合格,那我们就可以说光器件的光路在整个过程中是”不动“的。
这个”不动“是结果,保证这个结果的过程有多苛刻呢?
如下图以CWDM4的TFF结构为例;
当然TFF结构不是只能做CWDM4哈,理论上4通道波分WDM的都能做,如把激光器换成LAN-WDM的,相应地把Z-Block四个filter波长换一下就可以做LR4了,整个光路是可复制的。

我们来动一下准直lens,看它对整个光路的耦合效率影响有多大?


将准直lens朝Y方向移动x um,耦合效率随x的变化关系如下:

len朝Y方向移动1um时,耦合效率掉了近3dB(一半);
我们来看准直Lens的图纸:

可以看出,Lens中心距离边缘距离的两个带”*“的极限公差均为5um;

小伙伴可能疑问,前面不说lens移动1um就掉值3dB吗?lens尺寸公差就有5um了,随便走个正公差或负公差,耦合效率就接近0,没有光了!
纠正一个概念哈,前面讲的Lens移动,是指除准直lens以外其他光学零件全部已经固定好了,lens放在光路的最佳位置,和lens从最佳位置移动后的差异,这两者之间是排除了lens的尺寸公差差异的,即两者之间的差异仅为移动的xum。
其次,该光路是峰值耦合效率时的最佳光路,考虑到可量产性,实际耦合中光路是会离焦(对离焦不懂的可参考小熊之前的文章焦距)再固定的,这时准直lens的容差会变大,即掉值3dB的偏移1um会放宽至允许偏移1.6um(如下图所示);

通常来讲,光路中容差小的零件是不建议放在工艺流程中最后一步来做的。
如上,如果我们允许lens底部的胶水固化前后,光功率掉值在3dB以内,那么lens移动距离<=1.6um,则视为“不动”。
方形的准直lens,我们放在陶瓷基板上用胶水固定;
圆形的准直lens呢,我们用Si基V槽固定;

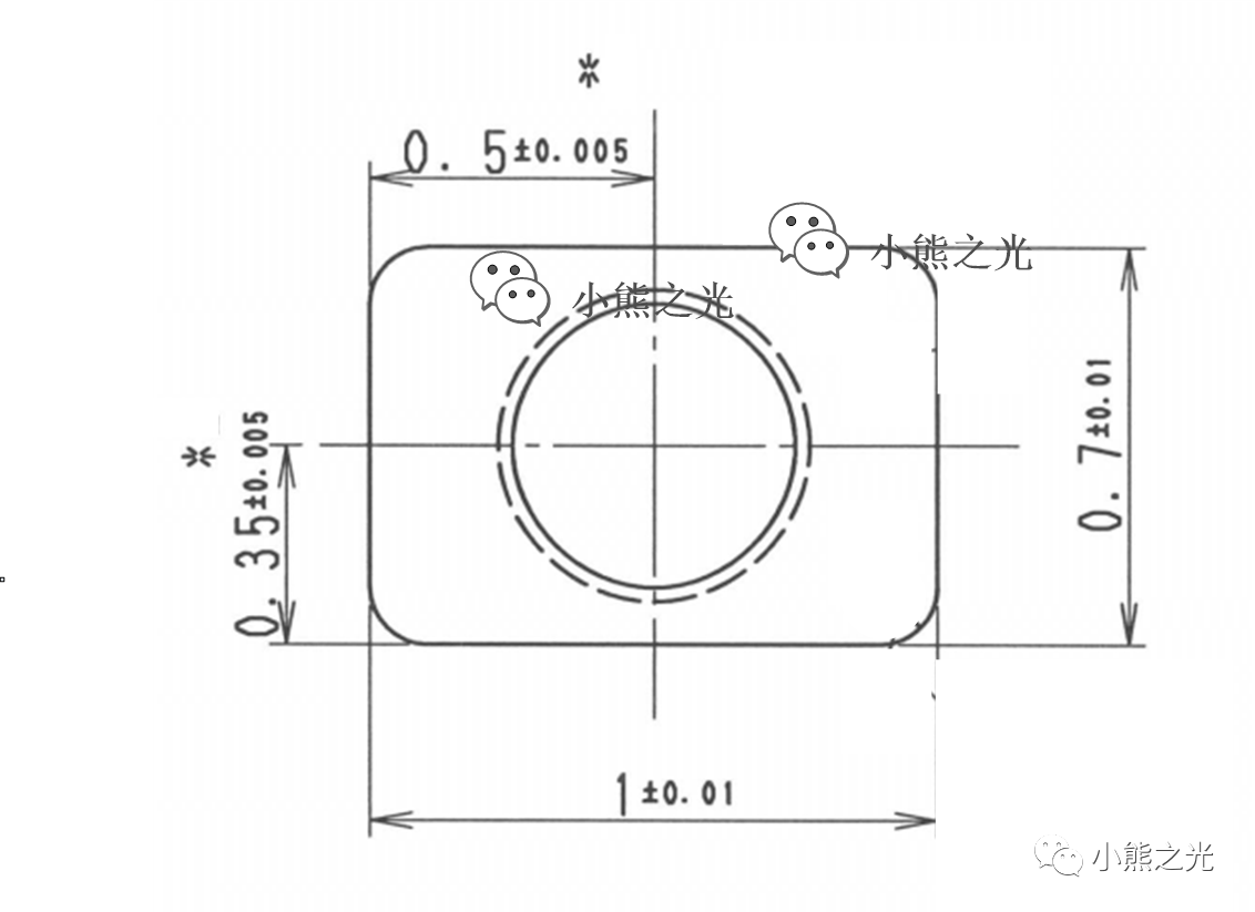
我们来看Si基V槽的图纸;

图纸中带“*”的尺寸,公差为2um;
圆形lens的图纸:

图纸中带“*”的lens外径,公差为+2/-3um;
可以看出,Si基V槽+圆形lens的对lens中心光轴的定位,比方形lens精度要高;
前面,我们讲了准直lens偏移<=1.6um视为“不动”,同一个光路中,不同的光学零件,其“不动”的标准是不一样的,接下来,我们看看fiber端的耦合lens,其“不动”的标准为多少?


将耦合lens朝Y方向移动x um,耦合效率随x的变化关系如下:

len朝Y方向移动7um时,耦合效率掉了3dB;
同前文,我们定义lens固定前后,光功率掉值被允许在3dB以内,那么fiber端耦合lens移动距离<=7um,则视为“不动”。
可以看出,耦合lens的位置偏移允许范围,没有准直lens那么苛刻;
耦合lens可以塞进Receptacle里,通过激光焊接将Receptacle与其他光路零件进行固定;
光器件中,有个很重要、但是极没存在感的零件:MPD(Monitor Photo Diode);

激光器发射的光,一部分经光路被传至fiber进行对外传输,另一部分反方向传输至MPD转化成电流;
MPD重要之处在于,如果光器件不工作了,我们想知道是激光器出问题了,还是光路出问题了,看MPD是否工作就知道了,如果MPD正常工作,则说明激光器是正常的,排查问题的时候就知道要从光路着手了。
MPD为什么没有存在感呢?
因为MPD的收光面积很大,通常有100+um,就像一个超级守门员,激光器背向发出的光,即使有偏差,一般也能被MPD收到,MPD对激光的传输速率没要求,而且价格也便宜;
更多的四川半导体微组装设备资讯请联系:18980821008(张生)19382102018(冯小姐)
四川省微电瑞芯科技有限公司http://www.wdrx-semi.com/
