行业资讯

行业资讯

重大突破:量子计算机!

重大突破:量子计算机!

一今天,一只命运的蝴蝶,在中国突然展开了它颠覆之翅!这次看似不太起眼的翅膀扇动,却很可能将在不远的将来,引起山呼海啸般的风暴!刚刚传来大消息,中国科学家重磅宣布:成功构建255个光子的量子计算原型机“九章三号”。(四川半导体微组装设备)如果说“九章三号”量子计算机最重大突破和最重要特点,那就是运算快,极快!超级快!快到...

中国推动半导体产能扩张

中国推动半导体产能扩张

在世界各国政府针对脱碳、可再生能源需求不断增加以及提高电源效率的需求不断增加的背景下,功率半导体市场持续增长。Yole Group 旗下市场研究公司 Yole Intelligence 表示,报告称,2022年功率半导体市场规模将达到209亿美元,包括分立器件和模块,2022年至2028年将以8.1%的复合年增长率(C...

看华为与恒大领头人,知企业之走向!

看华为与恒大领头人,知企业之走向!

刚刚过去的一个月,中国有两家巨无霸的企业一直在牵动着我们的心,一家让我们开心,一家让我们揪心。(四川半导体微组装设备公司)让我们开心的是华为,让我们揪心的是恒大。华为在面临着某些国家的刻意、极端打压下仍然“轻舟已过万重山”,不断取得新的突破,在高科技领域展示了中国力量。恒大就像脱缰的野狗,利用政策的不完善,在危险边缘狂...

IGBT领域封装技术专题研究

IGBT领域封装技术专题研究

微电子封装定义为密封、互连、供能、冷却、芯片封装、保护芯片不受环境影响以及保护周围环境不受芯片影响的一项技术(Rasmussen,2003)。它保障了信号和能量的传输、散热、电磁干扰(EMI)屏蔽、人体和环境的保护,并作为桥梁连接集成电路芯片和其他元件到一个电子系统中以形成电子产品。(四川微组装设备)▌一、公司在封装设...

chiplet的需求一路飙升,为何产能却一直跟不上?

chiplet的需求一路飙升,为何产能却一直跟不上?

制造2D和2.5D multi-die的技术已存在了近十年。然而,在Generative AI时代来临之前,chiplet的需求一直萎靡不振。Nvidia的AI处理器横扫市场,引发了一场突如其来的变革,让foundry和OSAT公司们措手不及。现在的关键是,跃跃欲试的chiplet公司们还能等多久,以及是否可以选择去中...

变频技术是如何发展的?

变频技术是如何发展的?

一、变频技术的发展过程(四川半导体设备)变频技术是应交流电机无级调速的需要而诞生的。20世纪60年代后半期开始,电力电子器件从SCR(晶闸管)、GTO(门极可关断晶闸管)、BJT(双极型功率晶体管)、MOSFET(金属氧化物场效应管)、SIT(静电感应晶体管)、SITH(静电感应晶闸管)、MGT(MOS控制晶体管)、M...

IGBT、MOS管、晶闸管三者之间的不同

IGBT、MOS管、晶闸管三者之间的不同

IGBT和MOS管的区别:IGBT在结构上是NPN行MOSFET增加一个P结,即NPNP结构,在原理上是MOS推动的P型BJT;多的这个P层因内有载流子,有电导调制作用,可以使IGBT在跟高电压和电流下,有很低的压降,因此IGBT可以做到很高电压(目前最大6500V),但由于载流子存在,IGBT关断是电流会拖尾,关断速...

麒麟芯片的回归意味着什么?

麒麟芯片的回归意味着什么?

近期,随着最新的华为手机mate60发布,其搭载的芯片——麒麟9000s也横空出击,使国产芯片话题再次冲上顶峰。麒麟芯片的回归对华为来说是一个新的里程碑时刻,但在此背后也有众多的猜测和分析。代工or自研?(成都半导体微组装设备)近年来,台积电作为全球领先的半导体制造企业,一直在为华为代工高性能芯片。据传闻,麒麟9000...

一场科技的革命——半导体

一场科技的革命——半导体

I. 引言在当今数字时代,半导体科技(四川半导体公司)已经不再仅仅是一项技术,而成为了我们日常生活和全球经济的支柱。这个领域的重要性不言而喻,因为几乎每一方面的技术和行业都依赖于半导体的存在。从我们手中的智能手机,到医疗设备、通信系统、能源生产,乃至全球的交通网络,半导体科技都起着关键的作用。半导体技术的普及之所以如此...

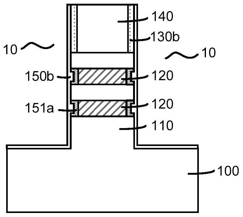
此专利的提出会有什么影响?

此专利的提出会有什么影响?

天眼查显示,中芯国际近日新增多条专利信息,其中一条名称为“鳍式场效应晶体管的形成方法”,公开号为CN111477548B,法律状态显示该专利已获授权。(成都半导体设备公司)专利摘要显示,本发明公开了一种鳍式场效应晶体管的形成方法,包括:提供半导体衬底,半导体衬底上形成有鳍部,鳍部中形成有一层或多层牺牲层,鳍部顶部形成有...